
Ну 222 Беаринг ЕЦМ
Тежина: 5.43кг
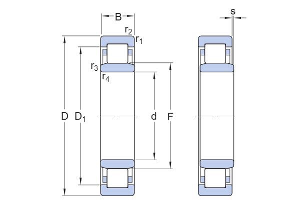
Једнокреветна реда цилиндричног ролара, НФ дизајн

Опис производа
Димензије
| d |
110 мм |
Пречник процијењања |
|---|---|---|
| D |
200 мм |
Спољни пречник |
| B |
38 мм |
Ширина |
| D1 |
≈172.5 мм |
Пречник рамена спољног прстена |
| F |
132,5 мм |
Пречник трке унутрашњег прстена |
| r1,2 |
Мин.2.1 мм |
Димензија |
| r3,4 |
Мин.2.1 мм |
Димензија |
| s |
Макс.2.1 мм |
Дозвољено аксијално расељавање |
Димензије прикупљања
| da |
мин.122 мм |
Пречник Спацер рукав |
|---|---|---|
| da |
мак.129 мм |
Пречник Спацер рукав |
| db |
мин.135 мм |
Пречник спојења осовине |
| Da |
мак.187 мм |
Пречник стамбеног становања |
| ra |
Макс.2 мм |
Радијус филета |
| rb |
Макс.2 мм |
Радијус филета |
Подаци о израчунима
| СКФ разред перформанси |
СКФ Екплорер |
|
| Основна динамичка рејтинг оптерећења | C |
335 кн |
| Основна статичка оцена оптерећења | C0 |
365 кн |
| Лимит оптерећења умор | Pu |
42,5 кн |
| Референтна брзина |
3 600 р / мин |
|
| Ограничавајућа брзина |
4 000 р / мин |
|
| Минимални фактор оптерећења | kr |
0.15 |
| Ограничавајућа вредност | e |
0.2 |
| Фактор израчуна | Y |
0.6 |
Придружени производи
| Угаони прстен | ХЈ 222 ЕЦ |
Ну 222 ЕЦМ Беаринг: Робусни дизајн за захтевне апликације
Ну 222 ЕЦМ је једноструки цилиндрични ваљак који је пројектован да би се испоручила изузетна радијална капацитет оптерећења и оперативне поузданости. Његов ЕЦМ (побољшана производња компонената) садржи модификовани профил ваљка и расе, оптимизирајући дистрибуцију стреса и смањење ивица наглашених под великим оптерећењима. Лежај има дизајн кавеза израђен од месинга са високим чврстоћом или полиамидом, обезбеђујући стабилност на великим брзинама и оштрим окружењима. Прецизни брусни и напредни процеси топлоте (нпр. Кабрерате се на 850-950 степени) побољшавају површинску тврдоћу (60-64 ХРЦ), уз одржавање тешке језгре, значајно проширујући радни век и у загађене или неусвимне услове.
Предности перформанси за индустријску ефикасност
Кључна предност НУ 222 ЕЦМ лежи у својој способности да се прилагоди аксијалном расељавању у лежајућем распореду, чинећи га идеалним за апликације које захтевају бесплатну експанзију осовине. Профил логаритамског ваљка минимизира трење и стварање топлоте, омогућавајући континуирани рад брзином до 4,5 0 0 о / мин (подмазивање уља). Његова врхунска рејтинг оптерећења (нпр. 305 кн динамично оптерећење) Онемогући стандардни Ну 222 лежајеви за отприлике 15-20%, смањујући време застоја у тешке механизације. Поред тога, побољшана површинска површина ЕЦМ варијанта (РА мања или једнака 0,1 μм) и чвршће толеранције (ИСО П6 класа) доприносе нижим нивоима вибрација, критичне за прецизну опрему попут мењача и електричних мотора.
Свестране апликације широм индустрије
Широко усвојени у секторима који захтевају високе оптерећене омјере, НУ 222 ЕЦМ одличи у рударском транспортном системима, главним осовинама ветром турбине и челичних млинских врата. Десигн отпоран на контаминацију одговара производној опреми за папир изложену влакнастим крхотинама, док температурна стабилност (-30 степен доведења у +150 дипломира) осигурава перформансе у индустријским пећницама или хладњачима машинама. Недавне студије случаја истичу његова употреба у хидроелектранским водичима за турбина, где су смањени интервали одржавања (до 30, {{{7} сати) смањили оперативне трошкове за 18% у односу на конвенционалне дизајне. За накнадне пројекте, инжењери препоручују упаривање са високим вискозностима масти (НЛГИ 2/3) да максимизирају интервале подмазивања у чврстим инсталацијама.


Popularne oznake: Ну 222 ЕЦМ Беаринг, НУ 222 ЕЦМ Носећи добављачи
Sledeći
БЦ4Б 322264 / ХБ1 ЛежајМожда ти се такође свиђа
Pošalji upit










